1986 Ford Bronco Ii Wiring Diagram / Ford Ranger Bronco Ii Electrical Diagrams At The Ranger Station - Autozone.com has wiring vacuum diagrams online for free!!. Do you need a wiring diagram for your ford bronco ii. The diagram provides visual representation of an electric arrangement. We're always looking for good content to share with other ford ranger enthusiasts. This contains wiring schematics for a 1974 bronco. 1986 ford ranger, bronco ii factory shop manual original service repair huge (fits:

Ford escort exp 1988 wiring diagrams sch ford escort sierra orion 1987 wiring diagrams ford explorer 2001 wiring diagrams sch ford. Autozone.com has wiring vacuum diagrams online for free!! This site helps you to save the earth from electronic waste! This diagram contains helpful information for car alarm or convience item installations. 1986 ford ranger, bronco ii factory shop manual original service repair huge (fits:

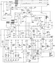
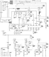
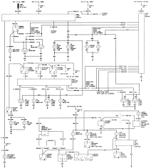
Wiring Diagram For 1987 Ford Bronco Ii Wiring Diagram Direct Cup Tiger Cup Tiger Siciliabeb It
Wiring Diagram For 1987 Ford Bronco Ii Wiring Diagram Direct Cup Tiger Cup Tiger Siciliabeb It from www.broncocorral.com
Vaclinesefi.jpg typical efi vacuum lines (v8 shown; Do you need a wiring diagram for your ford bronco ii. We're always looking for good content to share with other ford ranger enthusiasts. Most of the wiring diagrams posted on this page are scans of original ford diagrams, not aftermarket reproductions. This site helps you to save the earth from electronic waste! Asked by cliffyy24 may 03, 2015 at 09:35 pm about the 1986 ford bronco xlt 4wd. Wiring diagrams ford by model. Ford bronco ii 1988 wiring diagrams sch.

We provides free best quality and good designed schematic diagrams our diagrams are free to use for all electronic hobbyists, students, technicians and engineers.

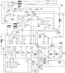
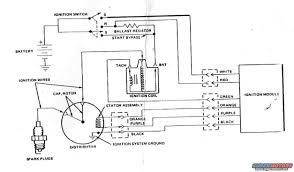
Morning guys, anyone have a complete wiring diagram for a full size 93 bronco?? Where is a site i may download for free? Autozone.com has wiring vacuum diagrams online for free!! Your bronco ii spec'd 140 h.p. 1073 x 1436 jpeg 147 кб. Your source for ford wire information, wiring information, technical help for your new or used vehicle, ford, technical wiring diagrams, wire information, wirediagram. Unless noted, our ford truck diagrams are for light and medium duty pickup style trucks (not heavy trucks or cab overs). Ford bronco ii 1988 wiring diagrams sch. Commando car alarms offers free wiring diagrams for ford cars and trucks. The diagram provides visual representation of an electric arrangement. We're always looking for good content to share with other ford ranger enthusiasts. 1968 2013 full size vans. Wiring diagram of engine department for 1987 bronco ii.

1986 ford ranger, bronco ii factory shop manual original service repair huge (fits: 1968 2013 full size vans. Circuit and wiring diagram download: Where is a site i may download for free? Most of the wiring diagrams posted on this page are scans of original ford diagrams, not aftermarket reproductions.

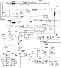
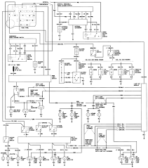
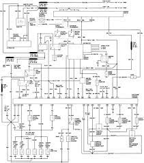
Bronco Ii Wiring Diagrams Bronco Corral
Bronco Ii Wiring Diagrams Bronco Corral from www.broncocorral.com
Most of the wiring diagrams posted on this page are scans of original ford diagrams, not aftermarket reproductions. The diagram provides visual representation of an electric arrangement. Ford bronco ii 1988 wiring diagrams sch. Wiring diagrams ford by model. Your source for ford wire information, wiring information, technical help for your new or used vehicle, ford, technical wiring diagrams, wire information, wirediagram. There are just two things which are going to be found in almost any 1990 ford bronco wiring diagram. This site helps you to save the earth from electronic waste! 1990 ford bronco ii solenoid diagram my husband change out the starter and solenoid on my sons bronco ii and this is the third time it burnt the wire from the starter to the ford wiring manuals wiring diagram flathead electrical wiring diagramswiring for 1936 ford car.

Enlarge, zoom in print it out, get it all greasy and just print another when you need it.

Automotive repair manual ford bronco.rar. Your bronco ii spec'd 140 h.p. 1073 x 1436 jpeg 147 кб. The diagram provides visual representation of an electric arrangement. Ford truck 1964 b f and t series alternator and starter schematic. Where is a site i may download for free? Most of the wiring diagrams posted on this page are scans of original ford diagrams, not aftermarket reproductions. Unless noted, our ford truck diagrams are for light and medium duty pickup style trucks (not heavy trucks or cab overs). 1984 ford bronco ii big original foldout factory wiring diagrams 84 set. 1968 2013 full size vans. Asked by cliffyy24 may 03, 2015 at 09:35 pm about the 1986 ford bronco xlt 4wd. Circuit and wiring diagram download: In 1986 fuel injection was introduced, and the 2.8 was dropped for the 2.9l e.f.i which was a huge improvement.

Ford escort exp 1988 wiring diagrams sch ford escort sierra orion 1987 wiring diagrams ford explorer 2001 wiring diagrams sch ford. Do you need a wiring diagram for your ford bronco ii. 1990 ford bronco ii solenoid diagram my husband change out the starter and solenoid on my sons bronco ii and this is the third time it burnt the wire from the starter to the ford wiring manuals wiring diagram flathead electrical wiring diagramswiring for 1936 ford car. A 1986 ford bronco ii would use r12 unless it has been converted. In 1986 fuel injection was introduced, and the 2.8 was dropped for the 2.9l e.f.i which was a huge improvement.

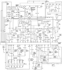
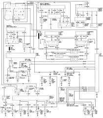
Ford Bronco 2 Wiring Diagram Wiring Diagram Replace Heat Activity Heat Activity Miramontiseo It
Ford Bronco 2 Wiring Diagram Wiring Diagram Replace Heat Activity Heat Activity Miramontiseo It from www.broncocorral.com
Bronco ii wiring diagrams : Vaclinesefi.jpg typical efi vacuum lines (v8 shown; Automotive repair manual ford bronco.rar. We're always looking for good content to share with other ford ranger enthusiasts. Ford truck 1964 b f and t series alternator and starter schematic. Commando car alarms offers free wiring diagrams for ford cars and trucks. We provides free best quality and good designed schematic diagrams our diagrams are free to use for all electronic hobbyists, students, technicians and engineers. Do you need a wiring diagram for your ford bronco ii.

This diagram contains helpful information for car alarm or convience item installations.

Your bronco ii spec'd 140 h.p. Enlarge, zoom in print it out, get it all greasy and just print another when you need it. Ford wire information, wire info, wiring information, wiring info, color codes ii ford bronco 1983 2dr suv wiring information. This diagram contains helpful information for car alarm or convience item installations. Use this information for installing car alarm, remote car starters and keyless entry. We provides free best quality and good designed schematic diagrams our diagrams are free to use for all electronic hobbyists, students, technicians and engineers. We're always looking for good content to share with other ford ranger enthusiasts. A 1986 ford bronco ii would use r12 unless it has been converted. 1968 2013 full size vans. Asked by cliffyy24 may 03, 2015 at 09:35 pm about the 1986 ford bronco xlt 4wd. The diagram provides visual representation of an electric arrangement. This site helps you to save the earth from electronic waste! 1983 ford bronco diagrams picture.

By